○南部町集落営農体制強化支援事業費補助金交付要綱
令和7年2月12日
告示第16号
(趣旨)
第1条 この要綱は、多様な集落営農の組織化及び機械施設の整備等を支援するとともに、組織の継続性を確保し、将来に向けても集落農地を維持できる体制づくりを進めるため、次世代への運営の継承を円滑に進めることを目的として交付する南部町集落営農体制強化支援事業費補助金(以下「本補助金」という。)について、南部町補助金等交付規則(平成16年南部町規則第51号。以下「規則」という。)に定めるもののほか、必要な事項を定めるものとする。
3 本補助金の交付は、別表の第2欄に定める1事業実施主体につき、最大3年間(以下「事業実施期間」という。)行うものとする。
4 別表の第3欄に掲げる農業用機械及び附帯施設の整備と一体とは認められない(資産計上の対象とならない)もの及び10万円未満の機械等は対象外とする。
5 別表の第2欄の事業実施主体は、鳥取県産業振興条例(平成23年鳥取県条例第68号)の趣旨を踏まえ、対象事業の実施に当たっては、県内事業者(県内に本店、支店、営業所、事務所その他名称の如何を問わず、事業を行うために必要な施設を有して事業活動を行う者をいう。)への発注に努めなければならない。
6 対象事業の実施に当たっては、別表の第6欄に定める要件を満たさなければならない。
(交付申請)
第3条 補助対象事業者は、補助金の交付を受けようとするときは、規則第5条に定める補助金等交付申請書に、次に掲げる書類を添付して南部町長(以下「町長」という。)に提出しなければならない。
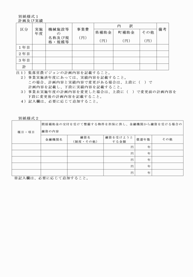
(1) 南部町集落営農体制強化支援事業計画(報告)書(様式第1号)
(2) 南部町集落営農体制強化支援事業収支予算(決算)書(様式第2号)
(3) その他町長が特に必要と認める書類
(1) 南部町集落営農体制強化支援事業費補助金変更事業計画書(様式第5号)
(2) 補助対象事業の変更に係る見積書の写しその他変更内容がわかる書類
(3) その他町長が特に必要と認める書類
2 規則第11条第1項ただし書の規定による軽微な変更は、以下に定める変更以外の変更とする。
(1) 本補助金の増額
(2) 事業の目的に特に影響を及ぼすと認められる変更
(1) 南部町集落営農体制強化支援事業計画(報告)書(様式第1号)
(2) 南部町集落営農体制強化支援事業収支予算(決算)書(様式第2号)
(3) 補助対象事業の実施に係る請求書、領収書その他経費の内訳がわかる資料
(4) その他町長が特に必要と認める書類
2 前項の規定による実績報告は、補助対象事業が完了又は廃止若しくは中止した日から30日が経過した日又は当該年度の3月末のいずれか早い日までに行わなければならない。
2 町長は、前項による補助金の額を確定した場合において、既にその額を超える補助金が交付されているときは、期限を定めて確定額を超える部分の補助金の返還を命ずるものとする。
(補助金の請求)
第9条 補助事業者は、補助金の交付の請求をしようとするときは、規則第21条の規定により請求するものとする。
(補助金の返還及び取消し)
第10条 町長は、次のいずれかの事情が生じたときは、補助金交付の決定の全部又は一部を取り消すことができる。
(1) 虚偽又は不正な手続きによって補助金の交付を受けたものと認められるとき。
(2) 規則、本要綱に違反したとき。
(3) その他事業実施方法が不適当であると町長が認めたとき。
2 交付条件のうち、県交付規則第25条第2項ただし書に係る期間は、減価償却資産の耐用年数等に関する省令(昭和40年大蔵省令第15号)に定める耐用年数に相当する期間(同令に定めのない財産については、町長が別に定める期間)とする。
3 交付条件のうち、県交付規則第25条第2項第4号に係る財産は、次のいずれかに該当するものとする。
(1) 取得価格又は効用の増加額が50万円以上の機械及び器具
(2) その他交付目的を達成するため処分を制限する必要があるものとして町長が別に定めるもの
(財産に関する書類の保管)
第12条 補助事業者は、間接補助事業により取得した財産について処分制限期間を経過するまでの間、財産管理台帳(様式第9号)及びその他関係書類を整備し、保管しなければならない。
(収益納付)
第13条 補助事業者は、補助対象事業により取得し、又は効用の増加した財産を処分したことにより収入があったときは、当該収入があったことを知った日から5日以内に、町長にその旨を報告しなければならない。
2 前項の場合において、町長がその収入の全部又は一部に相当する額を町に納付するよう指示したときは、補助事業者は、これに従わなければならない。
(その他)
第14条 この要綱について定めるもののほか、補助金の交付について必要な事項は、別に定める。
附則
(施行期日)
1 この要綱は、公布の日から施行する。
(失効日)
2 この要綱は、令9年3月31日限り、その効力を失う。ただし、同日以前にこの要綱の規定に基づきなされた交付決定に係る補助金の交付に係る手続に関しては、当該交付等が完了するまでの間、同日後も、なおその効力を有する。
別表(第2条関係)
1 対象事業 | 2 事業実施主体 | 3 補助対象経費 | 4 補助率 | 5 重要な変更 | 6 その他 | |||||
区分 | 事業内容 | |||||||||
規模拡大・発展型支援 | 農業用機械施設の導入・査定処分 (1) 農業用機械及び附帯施設の導入 (2) 個人所有機械の中古販売、廃棄等 | 集落営農組織 〔要件〕 ・集落営農の規約の締結 ・集落営農ビジョンの策定・地区内水田(担い手が集積している水田を除く。)の過半を集積(経営面積、機械の共同利用面積及び作業受託面積) | 集落営農ビジョンに沿って行う、次に掲げる機械施設整備等に要する経費とする。ただし、工事請負費又は委託費に係るものについては、県内事業者に発注したもの(やむを得ない事情により県内事業者に発注することが困難と県があらかじめ認めたものを含む。)に限り補助の対象とする。 (1) 組織の経営規模、形態等を踏まえた適切な生産体系を確立するために必要な農業用機械(軽トラック等の汎用性がある車両を除く。)及び附帯施設の導入に要する経費(単なる機械更新等、現状維持にとどまるものは除く。) (2) 組織化にあたり不要となる個人所有機械の中古販売、廃棄等に要する以下の経費 ①農業用機械の査定費用 ②廃棄処分に係る産業廃棄物処理及び廃棄処分に附帯する一時的な保管に要する経費等の事務的経費 ③中古市場業者への斡旋、仲介に係る事務的経費 ④査定価格と正規の簿記による帳簿価格との差額の補てんに要する経費(耐用年数未経過の農業機械に限る。) (3) オペレーター育成に要する経費 | 1/2 | 補助金の額の増額 | ビニールハウス等の農業保険法(昭和22年法律第185号)に基づく園芸施設共済の加入対象となる施設を導入した農業者は、園芸施設共済、又は民間の建物共済や損害補償保険等(天災に対する補償を必須とする。)に加入するものとする。 | ||||
1組織当たり事業実施期間合計補助上限額 ・小規模組織 7,000千円 ・大規模組織 12,000千円 ※大規模組織とは、目標経営面積概ね20ha以上の組織とする。 | ||||||||||
人材確保型支援 | 新たな人材確保・畦畔管理省力化 (1) オペレーター等の人材育成研修 (2) 法面用草刈機及びグランドカバープランツの導入 (3)) 賑わい活動への参画促進 | 集落営農組織 ((2)は中山間地域の集落営農組織に限る) 〔要件〕 ・集落営農の規約の締結 ・集落営農ビジョンの策定 | 集落営農ビジョンに沿って行う、次に掲げる取組に要する経費とする。ただし、工事請負費又は委託費に係るものについては、県内事業者に発注したもの(やむを得ない事情により県内事業者に発注することが困難と県があらかじめ認めたものを含む。)に限り補助の対象とする。 また、(1)の取組は必ず実施するものとする。 (1) オペレーター等の人材育成研修に要する以下の経費 ①実務研修(指導者に支払う謝金等) ②免許取得(農業大学校及び自動車学校での大型特殊免許取得に要する経費等) (2) 法面用草刈機及びグランドカバープランツの導入に要する経費 (3) 集落営農活動への参画を促すための農作業体験イベントの開催費等 | 1/2 ※(2)のうち急傾斜地(注)を含む集落営農組織 3/5 | 補助金の額の増額 | |||||
1組織当たり事業実施期間合計補助上限額 (1) 200千円 (2) 2,200千円 急傾斜地を含む組織2,600千円 (3) 100千円 | ||||||||||
(注) 急傾斜地とは、田:1/20以上、畑・草地・採草放牧地:15°以上の傾斜を示す。










